Tension électrique

  • Posted on: 3 October 2024
  • By: sbana

Exercice 1

On considère le circuit électrique ci-contre :
 
1. Combien de mailles présente le circuit ? 

$\ast $En utilisant les lettres du schéma, noter les tensions flèches. 

2. Calculer puis représenter la tension $U_{AC}$ à l'aide de deux méthodes : 

$\ast $en utilisant la loi d'additivité ;

$\ast $en utilisant la loi des mailles. Représenter $U_{AC}.$

3. Calculer puis représenter les tensions $U_{AD}$ et $U_{CD}.$

 

4. Comment doit-on brancher un voltmètre pour contrôler la tension $U_{CD}$ ?
 
$\ast $Indiquer ou doit se trouver sa borne $(+)$ ? Faire un schéma.
 
5. Ce voltmètre est utilisé sur le calibre $3\,V.$

L'échelle comporte $150$ divisions. 

Sur quelle division s'arrête l'aiguille du voltmètre ?

Exercice 2

On réalise le montage de la figure ci-contre. 

L'interrupteur $K$ est fermé. 

L'intensité du courant principal est $I=260\,mA$, celle du courant traversant la lampe $L_{2}$ est $I_{2}=0.14\,A.$

Les tensions aux bornes de $L_{1}$ et $L_{2}$ sont $U_{1}=4.6\,V$ et $U_{2}=2.2\,V$

1. Indiquer, sur le schéma, le sens conventionnel du courant électrique dans les différentes branches du circuit.

2. Déterminer l'intensité du courant $I_{1}$ traversant $L_{1}$ ?

3. Calculer l'intensité du courant $I_{3}$ traversant $L_{3}$ ?

4. Calculer la tension $U_{CB}.$

5. Déterminer la tension aux bornes de $L_{3}.$

 

Exercice 3

On étudie la tension aux bornes d'une lampe et l'intensité du courant qui la traverse. 

Pour cela, on utilise : un voltmètre, un ampèremètre, un oscilloscope.

Ce qui apparaît sur l'écran de l'oscilloscope est représenté ci-contre : 

$-\ $Sensibilité verticale : $5V/div$ 

$-\ $Vitesse de balayage : $5\,ms/div$ 

1. Évaluer la valeur de la période $T.$ 

2. Évaluer la valeur de la tension maximale $U_{\text{max}}$ aux bornes de la lampe. 

 

3. Le voltmètre indique $12\,V.$

Que représente cette mesure ? 

4. Quelle est la mesure de la résistance de la lampe si l'ampèremètre indique $0.5\,A$ ? On rappelle $U=RxI$

Exercice 4

Tension triangulaire, Amplitude ; Fréquence

Le schéma ci-dessous représente la tension délivrée par un $GBF$ en fonction du temps. La tension est exprimée en volt, et le temps en $ms.$

 

1. De quel type est la tension représentée ?

2. Combien de périodes sont représentées sur le schéma ?

3. En déduire la période du signal exprimée en seconde.

4. Donner en hertz la fréquence du signal triangulaire étudié.

5. Quelle est la valeur de la tension à l'instant $t=2$ ? Et à $t=20\,ms$ ?

6. Combien de fois s'annule la tension entre $t=0$ et $t=60\,ms$ ?

Exercice 5    

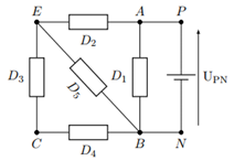
Circuit en parallèle, Loi d'additivité des tensions, Loi des mailles

On considère le circuit du schéma ci-contre

1. Écrire $U_{AC}$ en fonction de $U_{AB}$ et $U_{BC.$

Calculer sa valeur.

2. Calculer la valeur de $U_{PN}$ en utilisant la loi d'additivité des tensions

3. Représenter $U_{PN}$ par une flèche. Vérifier la loi des mailles pour la maille $(PABCN)$

 

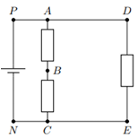
Exercice 6

On considère le circuit du schéma ci-contre

1. Pour chacun des voltmètres du schéma ci-contre, indiquer le nom de la tension qu'il mesure, en fonction des noms des points placés sur le circuit.

2. Représenter chacune de ces tensions par une flèche

3. Les valeurs mesurées sont : voltmètre $V_{1}\ :\ 2.5\,V$ voltmètre $V_{2}\ :\ -3.1\,V$  voltmètre $V_{3}\ :\ 6.4\,V$

4. En appliquant la loi des mailles à ce circuit (indiquer le sens de parcours), déterminer la valeur de $U_{AD}.$     

 

Quelle est la borne positive du générateur ?

5. Écrire $U_{AD}$ en fonction de $U_{AB}$, $U_{BC}$ et $U_{CD}.$

.Montrer que cette relation permet de retrouver la même valeur de $U_{AD}$ qu'à la question $4.$ 

Exercice 7

Un circuit électrique comprend en série : un générateur de tension, un résistor de résistance $R$ et un oscilloscope branché aux bornes du résistor. 

L'oscilloscope est réglé comme suit : 

Sensibilité verticale : $5V/div.$

Sensibilité horizontale : $10\,ms/div$
 
1. La visualisation à l'oscilloscope de la tension aux bornes du résistor fournie la courbe ci-contre :
 
1.1 Quelle est la nature de la tension observée ? $1$

1.2. Déterminer la période de cette tension. 

1.3. Déduire la fréquence de cette tension

 

1.4. Déterminer la valeur maximale de la tension.

2. On branche un voltmètre aux bornes du résistor.

Qu'appelle-t-on la tension mesurée par le voltmètre ? Donner sa valeur.

Exercice 8

Soit le circuit représenté ci-dessous. 

Il comporte un générateur et plusieurs lampes. 

Seules les lampes $(L_{6})$ et $(L_{7})$ sont identiques. 

1. Indiquer le sens du courant dans chaque branche du circuit. 

2. Comparer, en justifiant votre réponse, les valeurs de $I_{2}$ et $I_{4}$

3. Écrire la loi des nœuds au nœud $A.$

En déduire la valeur de $I_{3}.$
 
4. Indiquer sur le schéma du circuit l'emplacement de l'ampèremètre pour mesurer l'intensité $I_{3}.$
 
5. Calculer $I_{5}$, $I_{6}$ et $I_{7}.$
 
6. Représenter les tensions $U_{AB}$ et $U_{CB}$

7. Quelle est la valeur de la tension $U_{CD}$ ?

Justifier

8. Écrire la loi des mailles dans la maille $ABCDA$ Et calculer la tension $U_{AD}$ et déduire $U_{GA}$
 
9. Représenter sur le schéma du circuit, le branchement du voltmètre pour mesurer la tension $U_{GA}$
 
10. Comparer, en justifiant votre réponse, les tensions $U_{EF}$ et $U_{HF}.$

11. Déterminer les valeurs des tensions $U_{EF}$ et $U_{HF}$

Données : $I_{1}=0.1A$ ; 

$I_{4}=20\,Ma$ ; 

$U_{AB}=4\,V$ ;

$U_{CB}=-2\,V$ ; 

$U_{GD}=7\,V$ ; 

$U_{ED}=-1V$ et 

$U_{GF}=10\,V$

Exercice 9

Données : 

$I_{1}=0.1\,A$ ; 

$I_{4}=20\,mA$ ; 

$U_{AB}=4\,V$$ ; 

$U_{CB}=-2\,V$ ; 

$U_{GD}=7\,V$ ; 

$U_{ED}=-1\,V$ et

$U_{GF}=10\,V$

On considère le circuit ci-contre. 

1. Déterminer la tension visualisée sur l'oscilloscope. 

2. Déterminer la nature et le signe de la tension mesurée. 

3. Calculer la tension mesurée sachant que le déplacement vertical de la ligne lumineuse est $y=-3\,\text{div}$ et la sensibilité verticale de l'appareil est $S_{V}=4V/div$

 

4. Représenter l'écran de l'oscilloscope.

Exercice 10

On considère le circuit du schéma ci-contre : 

1. Pour chacun des voltmètres du schéma ci-contre, indiquer le nom de la tension mesurée, en fonction des noms des points placés sur le circuit.

2. Représenter chacune de ces tensions par une flèche. Les valeurs mesurées sont : voltmètre $V_{1}=2.5\,V$ ; voltmètre $V_{2}=-3.1\,V$ ; voltmètre  $V_{3}=6.4\,V$

3. En appliquant la loi des mailles à ce circuit (indiquer le sens de parcours), déterminer la valeur de la tension $U_{AD}$

 

Quelle est la borne positive du générateur ? 

4. Écrire $U_{AD}$ en fonction de $U_{AB}$, $U_{BC}$ et $U_{CD.$

Montrer que cette relation permet de retrouver la même valeur de $U_{AD}$ qu'à la question $4$

Exercice 11

Un générateur $G.B.F$ (générateur de basse fréquence) délivre au choix ; une tension périodique comme l'indique les figures suivantes : Le réglage de l'oscilloscope est : Sensibilité verticale : $2\,m V\cdot\\text{ div}^{-1}$ Sensibilité horizontale : $5\,ms\cdot\text{div }^{-1}$

 

1. Préciser la nature de la tension correspondant à chaque figure

2. Déterminer les valeurs maximales des tensions correspondantes à ces figures. 

3. Quelle sont leurs valeurs minimales de ces tensions ? 

4. Déterminer la période de chacune de ces tensions. 

Exercice 12

Les points $B$ et $C$ du circuit de la figure ci-contre sont reliés à un oscilloscope. 

La ligne lumineuse dévie alors de $2.4$ divisions. 

On donne : sensibilité verticale $S_{v}=10/\text{div}$

1. Quelle tension l'oscilloscope, ainsi branché, mesure-t-il ? (sans justifier) 

2. Dans quel sens la ligne lumineuse dévie-t-elle ? Justifier
 
3. Déterminer la valeur de la tension mesurée. 

(Expression littérale puis application numérique

  

Exercice 13
 
On considère le circuit électrique représenté par le schéma ci-dessous. 

La tension aux bornes de la pile vaut $9V$

1. Indiquer, sur le schéma du circuit, le sens conventionnel du courant électrique. 

2. Que représentent $U_{AC}$ et $U_{BC}$ ?
 
3. Représenter, sur le schéma du circuit, les voltmètres permettant de mesurer ces deux tensions. 

4. La tension aux bornes de la lampe $L_{1}$ vaut $2.5V$ 

Déduire la tension aux bornes de la lampe $L_{2}$

Justifier. 

5. Établir une relation entre les tensions suivantes-:  $U_{AB}$, $U_{DC}$, $U_{AC}$ et $U_{BD}$ 

6. La tension aux bornes du moteur est $U_{DC}=3\,V$  

Déterminer la tension aux bornes de la diode. 

Exercice 14
 
On considère le circuit électrique de la figure comprenant : -Un générateur $(G)$ aux bornes duquel se trouve une tension électrique continue  $U_{PN}$ ;  

Quatre dipôles récepteurs $D_{1}$, $D_{2}$, $D_{3}$ et $D_{4}$ parcourus respectivement par des courants électriques d'intensités $I_{1}$, $I_{2}$, $I_{3}$ et $I_{4}$, avec $I_{2}=750\,mA$, $I I3= 1,25A et I4= 1,75A$ ; 

$-\ $Un électrolyseur contenant une solution aqueuse de chlorure de cuivre $II$ de formule chimique  $\left(Cu^{2+}+Cl^{-}\right)$, et parcouru par un courant d'intensité $I_{5}$ ; -Un ampèremètre à aiguille traversé par le courant d'intensité $I_{2}$ représenté à la figure et un voltmètre numérique, qui placé aux bornes de $D_{1}$, donne la tension $U_{AB}=4.21\,V$ 

$-\ $Un oscilloscope qui permet de visualiser la tension $U_{ED}$ aux bornes de $D_{4}$ : 

1. Calculer les intensités : $I_{o}$ passant par  $(G)$, $I_{1}$ et $I_{5}$

2. Sur la figure, préciser l'anode et la cathode de l'électrolyseur, et trouver le nombre$N$ de cations qui se sont dirigés vers la cathode pendant la durée $\Delta t=16\,min$

3. Sur la figure dessiner (en justifiant) la position de l'aiguille d'origine $0$, et déterminer l'incertitude relative sur la mesure de $I_{2}$, sachant que l'ampèremètre et de classe $X=1.5$

4. Placer le voltmètre sur le circuit de la figure $2$ en indiquant sa borne $COM$ , et en représentant la tension électrique $U_{AB}$ mesurée par ce voltmètre. 

5. Donner l'encadrement de la tension $U_{AB}$

(On exprime le résultat par $3$ chiffres significatifs)

6. Sachant que la sensibilité verticale de l'oscilloscope est réglée sur,$S_{v}=2\,V\cdot cm_{-1}$ et que la tension mesurée vaut $U_{ED}=4.80\,V$

Tracer sur la figure; la position du trait lumineux observé sur l'écran de l'oscilloscope. 

Justifier la réponse. 

Exercice 15

On considère le circuit électrique ci-dessous

1. Pour mesurer la tension $U_{DE}$, nous utilisons un voltmètre qui contient sur l'échelle $D=150$

Lors de l'utilisation du calibre $C=1.5$, l'aiguille s'arrête sur la division $d=120$

1.1. Décrire comment brancher le voltmètre. 

1.2. Calculer la valeur de tension $U_{DE}$ 

2. On utilise l'oscilloscope pour mesurer la tension $U_{BC}$ Lorsque nous utilisons la sensibilité verticale $S_{y}=2\,V/\text{div}$, la ligne lumineuse se déplace vers le haut de  $y=2\text{div}$

2.1. Décrire comment brancher l'oscilloscope au circuit. 

2.2. Calculer la valeur de la tension $UBC$
3. Déduire la valeur de la tension $U_{BC}$ et représenter les trois tensions. 

4. Relier $E$ à la terre avec un fil de grande section. Trouver les potentiels électriques des points $A$, $B$, $C$ et $D$
  
Exercice 16
 
On considère le circuit du schéma ci-dessous

1. Pour chacun des voltmètres du schéma ci-contre, indiquer le nom de 

la tension qu'il mesure, en fonction des noms des points placés sur le circuit. 

2. Représenter chacune de ces tensions par une flèche 

3. Les valeurs mesurées sont : voltmètre $V_{1}$ : $2.5\,V$; voltmètre $V_{2}\ :\ -3.1\,V$  
; voltmètre $V_{3}\ :\ 2.5\,V$ 

4. En appliquant la loi des mailles à ce circuit (indiquer le sens de parcours) déterminer la valeur de $U_{AD}$

Quelle est la borne positive du générateur ? 

5. Écrire $U_{AD}$ en fonction de $U_{AB}$,  $U_{BC}$ et $U_{CD}$

Montrer que cette relation permet de retrouver la même valeur de $U_{AD}$ qu'à la question $4$

Exercice 17
 
On réalise le montage électrique suivant : 

1. Nommer l'appareil permettant de mesurer :
 
1.1. La tension électrique aux bornes de la lampe $L_{1}$
 
1.2.  L'intensité du courant électrique qui traverse la lampe $L_{2}$
 
2. L'interrupteur $K$ est ouvert: 

2.1. Les lampes $L_{21}$, $L_{2}$ et $L_{4}$ sont-elles, dans ce cas, branchées en série ou en parallèle ? 

2.2.  La tension $U_{G}$ aux bornes du générateur est  $12\,V$

L'intensité $I_{2}$ du courant qui traverse la lampe $L_{2}$ est $0.25\,A$

Donner les intensités $I_{1}$ , $I_{3}$ et $I_{4}$ des courants électriques qui traversent les lampes $L_{1}$, $L_{3}$ et $L_{4}$
 
2.3. Toutes les lampes sont identiques. Calculer les tensions électriques $U_{1}$, $U_{2}$, $U_{3}$ et $U_{4}$ aux bornes des lampes $L_{1}$, $L_{2}$, $L_{3}$ et $L_{4}$
 
Exercice 18
 
Voici l'oscillogramme d'une tension périodique :

On donne 

Sensibilité verticale $\,V/div$

Sensibilité verticale $1\,ms/div$
 
1. Mesurer la période de cette tension. 

2. Mesurer la valeur maximale de cette tension. 

3. Calculer la fréquence de cette tension. 

4. Calculer la valeur efficace de cette tension 

Exercice 19

Le schéma ci-dessous représente la tension délivrée par un $GBF$ en fonction du temps.


  
La tension est exprimée en volt, et le temps en $ms$
 
1. De quel type est la tension représentée ?  

2. Combien de périodes sont représentées sur le schéma ?  

3. En déduire la période du signal exprimée en seconde.  

4. Donner en hertz la fréquence du signal triangulaire étudié.  

5. Quelle est la valeur de la tension à l'instant $t=2\,ms$ ? Et à $t=20\,ms$ ?  

6. Combien de fois s'annule la tension entre $t=0$ et t$t=60\,ms$ ? 

Exercice 20

1. Cette tension est-elle continue? 

Justifier. 

2. Cette tension est-elle alternative? 

Justifier. 

3. Cette tension est-elle périodique? 

Justifier. 

4. Quelle grandeur est représentée sur l'axe 
horizontal ? Quelle est son unité ? 

5. Quelle grandeur est représentée sur l'axe 
vertical 

Quelle est son unité ? 

6. Quelle est la valeur de la tension maximale? 

7. Quelle est la valeur de la période? 

8. Calculer la fréquence 

9. Quelle est la valeur efficace de cette tension ? 

Comment aurait-on pu la mesurer ? 

Exercice 21

Soit le circuit représenté ci-dessous.

Il comporte un générateur et plusieurs lampes. Seules les lampes $\left(L_{6}\right)$ et $\left(L_{7}\right)$
  
sont identiques.  

On donne : $I_{1}=0.1\,A$ et $I_{4}=20\,mA$

$U_{AB}=4\,V$ ; $U_{CB}=-2\,V$ ; $U_{GD}=7\,V$ et $U_{GF}=10\,V$
 
1. Indiquer le sens du courant dans chaque branche du circuit.  

2. Comparer, en justifiant votre réponse, les valeurs de $I_{2}$ et $I_{4}$
  
3. Écrire la loi des nœuds au nœud $A$
  
4. En déduire la valeur de $I_{3}$
  
5. Indiquer sur le schéma du circuit l'emplacement de l'ampèremètre pour mesurer l'intensité $I_{3}$
 
6. Calculer $I_{5}$, $I_{6}$ et $I_{7}$
 
7. Représenter les tensions $U_{AB}$ et $U_{CB}$  

8. Quelle est la valeur de la tension $U_{AB}$ ?  

9. Écrire la loi des mailles dans la maille $ABCDA$

10. Calculer la tension $U_{AD}$ et déduire $U_{GA}$
  
11. Représenter, sur le schéma du circuit, le branchement du voltmètre qui permet de mesurer la tension $U_{GA}$ 

12. Comparer, en justifiant votre réponse, les tensions $U_{EF}$ et $U_{HF}$
 
13. Déterminer les valeurs des tensions $U_{EF}$ et $U_{HF}$

Exercice 22
 
Voici l'oscillogramme d'une tension périodique :                            

On donne 

Sensibilité verticale $2\,V/div$  

Sensibilité verticale $1\,ms/div$

1. Mesurer la période de cette tension.                            

2. Mesurer la valeur maximale de cette tension.  

3. Calculer la fréquence de cette tension.  

4. Calculer la valeur efficace de cette tension 

Exercice 23

$-\ $On considère le circuit électrique suivant :

On donne 

$U_{AM}=12\,V$ ; 

$U_{MB}=-8\,V$ ; 

$U_{CD}=2\,V$ ; 

$U_{BD}=6\,V$

1. Annoter (compléter) sur le schéma les différentes tensions électriques. 

2. Établir les relations entre les tensions pour les mailles  $(M\,A\,B\,M)$ ; $(M,B,C,D,M)$ 

3. Trouver alors les valeurs de différentes tensions de ce circuit 

4. Énoncer la loi utilisée

 

On branche aux bornes d'un Générateur $(GBF)$ un oscilloscope, sur L'écran on obtient l'oscillogramme ci-dessous

1. Donner la nature de la tension observée. 

2. A partir du graphe déterminer : 

2.1. La période $T$ 

En déduire La fréquence $f$
 
2.2. L'amplitude $U_{m}$ 

En déduire La tension efficace $U_{\text {eff}$

3. Comment peut-on mesurer la tension Efficace ?
 
Exercice 24

On réalise le circuit ci-dessus

On mesure :

$U_{PN}=11$ ; 

$8\,V$, $U_{EC}=2$ ; 

$8$ et $U_{BC}=-3$ ; $2\,V$

1. Calculer les tensions $U_{AB}$, $U_{BE}$ et $U_{AE}$

2. Déterminer le sens de courant électrique traversant chaque conducteur. 

Les représenter. 

3. On relie les points $E$ et $V$ respectivement à l'entrée $Y$ et la masse $M$ d'un oscilloscope.

Déterminer le sens de déplacement de la ligne lumineuse (signal) qui, au début, était au centre de l'écran, sachant que la sensibilité utilisée est : $SV=2\,V\ :\ cm^{-1}$

Exercice 25
 

1. Pour mesurer la tension $U_{DE}$ on utilise un voltmètre dont le nombre maximal de graduations est $N=150$ pour le calibre $C=152,V$ 

L'aiguille du voltmètre indique $120$ graduations. 

1.1. Comment doit-on brancher le voltmètre dans le circuit ? 

1.2. Trouver la valeur de $U_{DE}$
 
2. On utilise maintenant un oscilloscope pour mesurer la tension $U_{BC}$ pour une sensibilité $2\,V/cm$, le spot se déplace, sur l'écran, vers le haut d'une distance de $\,cm$

2..1. Comment doit-on brancher l'oscilloscope ?

her l’oscilloscope ?  

2.2. Trouver la valeur de $U_{AB}$

3. Déduire la valeur de la tension $U_{AB}$ et représenter les $3$ tensions sur le schéma du circuit. 

4. On relie $E$ à la masse, trouver les potentiels électriques : $V_{A}$, $V_{B}$, $V_{D}$, et $V_{E}$

Exercice 26

Anass mesure la tension aux bornes d'une pile par un voltmètre numérique. 

Le calibre utilisé est $C=10\,V$


 
1. Anass a-t-il mesuré la tension  $U_{AB}$  ou $U_{BA}$ ?

Justifier. 

2. Déterminer le pôle positif de la pile. 

3. Représenter la tension mesurée. 

4. Déterminer l'incertitude absolue sachant que la classe du voltmètre
 
vaut $1$ ; $5$, puis encadrer le résultat. 

Exercice 27
 
On branche aux bornes d'un générateur basse fréquence $(GBF)$ un oscilloscope, sur l'écran on obtient 

L'oscillogramme ci-dessous : 

1. A partir du graphe déterminer: 

2. La période et la fréquence du signal du $GBF$

3. La tension maximale $U_{m}$ du $GBF$ 

4. En déduire la valeur efficace $U_{\text{eff}}$ de cette tension  

Exercice 28

Dans le montage ci-dessous,$U_{PN}=12\.,V$ et les quatre dipôles entre les points $A$ et $D$ sont identiques. 

1. Quelle est la tension aux bornes de chaque dipôle? 

2.  Quelle est la valeur de la tension $U_{BC}$ ? 

3. On relie $B$ et $C$ par un fil de connexion. 

La tension aux bornes de chaque dipôle a- t- elle changé? 

Justifier la réponse 

Exercice 29

On considéré le montage ;
 
On mesure la tension électrique $U_{CB}$ par un oscilloscope en utilisant la sensibilité verticale $0.5\,Vcm$, le spot dévie verticalement en bas de distance de $3\,cm$
 
1. Montrer sur le schéma, la méthode de mesurer $U_{Cb}$

2. Représenter les tensions $U_{CB}$, $U_{AC}$,$U_{AB}$, $U_{PN}$  

3. Calculer la valeur de la tension $U_{CB}$ 

4. Sachant que $U_{PN}=4.5\,V$ déduire la valeur de la tension $U_{AB}$
  
Exercice 30

Au cours d'une séance de $TP$, trois élèves d'un lycée : Jude, Lorent et Leslie ont réalisé chacun un montage électrique. 

1. Entre trois points $A$, $B$ et $C$ du montage de Jude, il a mesuré à l'aide d'un voltmètre les tensions suivantes : $U_{AB}=3.2\○,V$ ;  $U_{AC}=5.5\,V$

1.1. Définir une tension électrique. 

1.2. Recrépir la relation entre les tensions  $U_{AB}$ ; $U_{BC}$ et $U_{AC}$
 
1.3. En déduire la valeur de la tension $U_{BC}$

2. Le montage ci-dessous (figure) a été réalisé par Lorent. 

Les mesures effectuées sur ce montage ont données les résultats suivants : $U_{PN}=12\,V$ ; $U_{AB}=3.0V$ ; $U_{CD}=3.5\,V$

2.1. Représenter à l'aide des flèches, les tensions $U_{PN}$ ; $U_{AB}$ et $U_{CD}$

2.2. En appliquant la loi d'additivité des tensions électriques, déterminer la valeur de la tension $U_{EF}$

2.3. Représenter à l'aide d'une flèche la tension $U_{FE}$

Donner sa valeur 

3. La figure  ci- dessus représente le montage réalisé par Leslie. 

Elle a effectué les mesures des tensions  $U_{PN}$ et $U_{BC}$  

Les résultats obtenus sont les suivants :

$U_{PN}=+4.5\,V$ et $U_{BC}=+2.1\,V$

3.1. Nommer ce type de montage. 

3.2. Donner la valeur de la tension $U_{AC}$ Justifier votre réponse. 

3.3. Calculer la valeur de la tension $U_{AB}$

Exercice 31

Soit le circuit électrique ci-dessus

On donne :

$U_{PA}=2\,V$ ; $U_{AC}=10\,V$ et $U_{AB}=2U_{PA}$

1. Représenter, par une flèche sur le circuit les tensions suivantes :  $U_{DE}$ ;  $U_{CB}$ et  $U_{CN}$ 

Donner le signe de chacune de ces tensions. 

2. Énoncer la loi des mailles. 

On branche un voltmètre à aiguille entre les bornes du générateur pour mesurer la tension $U_{PN}$ 

Représenter ce voltmètre sur le circuit en indiquant ses deux bornes 

3. Le calibre du voltmètre étant fixé à $30\,V$ et l'aiguille s'arrête devant la graduation $14$ sur l'échelle $30$

3.1. Calculer la valeur de $U_{PN}$

3.2. En déduire celle de $U_{NP}$

4. Calculer les valeurs des tensions $U_{DE}$ ; $U_{CB}$ et $U_{CN}$