La loi de la place

  • Posted on: 18 September 2025
  • By: sbana

Exercice 1

Un conducteur $XY$ de longueur $L=20\,cm$, parcouru par un courant d'intensité $I=1A$est placé dans un champ magnétique uniforme, de valeur $B=0.01T$
 

Dans chacun des cas suivants :

1. Représenter la force électromagnétique qui s'exerce sur le conducteur

2. Calculer l'intensité de cette force

Exercice 2

Une tige conductrice $MN$ peut glisser sans frottement sur  deux rails parallèles tout en leur restant perpendiculaire. 

L'ensemble est plongé dans un champ magnétique uniforme $\overrightarrow{E}$

Un générateur, lié aux rails, permet de faire passer dans la tige un courant d'intensité $I$

On donne : $I=10A$, $B=0.05,T$, $MN=0.1\,m$

Dans chaque cas faire le montage et les vecteurs $\overrightarrow{B}$ et $\overrightarrow{F}$ puis déterminer les caractéristiques de la force  

1.  perpendiculaire au plan des rails (sortant). 

2. est dans le plan des rails et de direction parallèle à ceux-ci (on distinguera deux cas). 

3.  est dans le plan des rails et sa direction fait un angle de $60^{\circ}$ avec $(MN)$

(Sens de vers le haut et vers la gauche).

Exercice 3

Une tige conductrice $AB$, homogène de masse
$m=20\,g$  et de longueur $AB=10\,cm$, peut glisser sans frottement sur deux rails parallèles tout  en leur restant perpendiculaire.

L'ensemble est plongé dans un champ magnétique uniforme et vertical $\overrightarrow{B}$ , orienté vers le haut et d'intensité $B=0.5\,T$

Un générateur, lié aux rails, permet de faire passer dans la tige un courant d'intensité  $I=10\,A$ 

On attache au milieu $O$ de la tige un fil de masse négligeable qui passe sur la gorge d'une poulie et qui supporte en sa deuxième extrémité un solide $(S)$ de masse $m'$ Le système abandonné à lui-même est alors en équilibre.
 
1. Le plan des rails étant horizontal : 

1.1. Déterminer, les caractéristiques de la force magnétique $F$ exercée sur la tige $AB$ 

1.2. En déduire le sens du courant dans la tige. 

1.3. Calculer la masse $m$  du solide $(S)$

2. On incline le plan des rails d'un angle $\beta=30^{\circ}$ par rapport  au plan horizontal et on enlève le fil de la poulie.

2.1.  En étudiant l'équilibre de la tige $AB$, déterminer la valeur  de la force de Laplace.

2.2. Déterminer l'intensité que doit avoir le champ magnétique  pour que la tige puisse rester en équilibre sur les rails ?

Exercice 4

Deux rails de cuivre $AA'$ et $EE'$ parallèles sont inclinés par rapport à l'horizontale d'un angle $\alpha$
 
Une tige en cuivre $CD$ peut se déplacer sans frottement le long de ces deux rails. 

L'ensemble est plongé dans un champ magnétique  $\overrightarrow{B}$ uniforme et vertical, dont le sens est de bas en haut. 

La tige $CD$ reste perpendiculaire à $AA'$

1. Donner la polarité des bornes $A$ et $E$ pour que la tige $CD$ reste en équilibre lorsqu'un courant passe dans le circuit.
 
2. Calculer alors l'intensité du courant.

On désigne par $m$ la masse de la tige. 

On donne: $g=9.8\b,m\cdot s^{-2}$

$B=9.3\cdot 10^{-2}T$, $CD=18\,cm$, $\alpha=15^{\circ}$, $m=10\,g$

Exercice 5

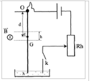
Un fil conducteur en cuivre rigide et homogène de masse $m$,  de longueur $OA=25\,cm$, est suspendu par son extrémité supérieure  à un point $0$ autour duquel il peut tourner librement ; sa partie  inférieure plonge dans une cuvette de mercure.

Un champ magnétique uniforme horizontal de valeur $B=10^{-2}T$  règne sur une hauteur $h=5\,cm$ 

Le milieu $E$ de cet espace champ magnétique est à $d=10\,cm$ du point $0$ (voir figure ci-dessous).

Lorsqu'on ferme $K$: le fil est parcouru par un courant d'intensité  $I=5\,A$et il prend une nouvelle position d'équilibre faisant un angle  $\alpha=6^{\circ}$ avec la verticale. 

1.1. Déterminer les caractéristiques de la force de Laplace. 

1.2. En déduire le sens de la déviation du fil

1. Représenter les forces qui s'exercent sur le fil conducteur dans sa nouvelle position d'équilibre. 

2.2. Donner l'expression du moment de chaque force exercée sur le fil par rapport à l'axe horizontal passant par $O$

2.3. En appliquant le théorème des moments, déterminer la valeur de la masse $m$ du fil conducteur. 

On donne : $g=10\,N\cdot kg^{-1}$

Exercice 6

Une tige conducteur en cuivre  rigide et homogène, de masse $m=8\,g$ de longueur  $L=25\,cm$, est suspendu par son extrémité supérieure en $O$ sa partie inférieure plonge dans une cuve contenant du mercure.

La tige est placée dans un champ magnétique uniforme $\overrightarrow{B}$ orthogonal au plan et de valeur $B=0.05\,T$ elle peut tourner librement autour de $O.$

En fermant l'interrupteur $K$, un courant électrique d'intensité $I=5A$ traverse la tige $OA$ et celui-ci prend la position indiquée par le schéma ci-dessous

1. Représenter les forces exercées sur la tige

2. Indiquer le sens du vecteur champ magnétique

3. En appliquant la condition d'équilibre à la tige, Calculer l'angle que fait la tige conducteur avec la verticale

Exercice 7

1. Une tige rectiligne homogène $OA$ en aluminium, de longueur $L=30\,cm$, de masse $m1=20\,g$ est capable de tourner autour d'un axe fixe horizontal passant par son extrémité $O$ 

Elle trempe légèrement en $A$ dans le mercure contenu dans une cuve. 

La tige est parcourue par un courant électrique d'intensité  $I=12\,A$, et elle est soumise à un champ magnétique uniforme de vecteur $B$ perpendiculaire au plan vertical dans lequel elle peut se mouvoir.

La tige tourne dans une position faisant un angle $\alpha=18^{\circ}$ avec la verticale.

L'action du champ magnétique s'exerce sur une longueur de la tige comprise des points $B$ et $C$ situés respectivement à $20\,cm$ et $25\,cm$ de $0$ (voir figure $1$ ci-dessous). 

On donne $=10\,Nkg^{-1}$

1.1. Donner le sens et la direction de la force électromagnétique appliquée sur la tige 

1.2. Préciser le sens de $\overrightarrow{B}$

1.3. Représenter, sur la figure $1$, toutes les forces appliquées sur la tige.

1.4. Calculer la valeur de la force électromagnétique appliquée sur la tige.

1.5. En déduire la valeur du champ magnétique.

2. La tige, toujours parcourue par le même courant d'intensité $I=12\,A$et baignant dans un champ magnétique de valeur $B=0.5\,T$ sur la partie $BC$, est maintenant attachée en son centre $G$ par un fil de masse négligeable qui supporte sur son autre extrémité un solide $(S)$ de masse $m_{2}$

Lorsque le système est en équilibre, la tige s'incline un angle $\alpha=30^{\circ}$ par rapport à la verticale (voir figure $2$ ci-dessous)

2.1. Représenter les forces appliquées sur la tige et sur le solide $(S)$

2.2. Calculer la valeur de la force de Laplace s'exerçant sur la tige.
 
2.3. Déduire la masse $m_{2}$ du solide $(S)$

Exercice 8

Pour vérifier la loi de Laplace, on utilise le dispositif expérimental ci-dessous.

Une portion de conducteur pendule de longueur $L$, de milieu $A$, est placé dans un champ magnétique uniforme qui lui est perpendiculaire.

Lorsque l'interrupteur $k$ est fermé, le conducteur pendule s'incline d'un angle $\alpha$ par rapport à la position d'équilibre (verticale). 

Pour ramener à cette position d'équilibre, on utilise un contrepoids de masse $m$
 
On néglige le poids des conducteurs.

1. Représenter sur le schéma les différentes forces qui s'appliquent sur le conducteur-pendule à la position d'équilibre.

2. Établir la relation qui existe entre la masse $m$ du contrepoids, l'intensité $I$ du courant, l'intensité $B$ du champ magnétique, l'intensité $g$ de la pesanteur, les distances $OA$ et $OM$, et la longueur $L$

3. Calculer m sachant que 

$I=5A$ ;  

$B=0.3T$ ;

$L=4\,cm$ ;  

$OA=20\,cm$